
我们相信合格的产品是信誉的保证!
更新时间:2026-04-01
浏览次数:108土壤温湿度传感器安装要求—安装应避开强酸强碱、重油污重金属环境进行【型号推荐:TH-WS485,气象环境监测仪器设备生产厂家,云境天合支持商家定制服务,设备选择山东云境天合您放心】高精度土壤酸碱度传感器是一种能够实时、精准监测土壤pH值的关键设备,广泛应用于农业、环境监测、科研实验及生态修复等领域。科研领域土壤物理学研究研究土壤温湿度对土壤结构、导水性、热传导性等物理性质的影响。土壤生物学研究分析土壤温湿度对微生物活性、酶活性等生物过程的影响。通过玻璃电极与参比电极的电位差测量土壤pH值。玻璃电极对氢离子(H⁺)具有选择性响应,当电极插入土壤溶液时,膜层两侧产生电位差,该电位差与土壤溶液中的氢离子活度相关,符合能斯特方程。

一、技术指标
1.供电:DC12V
2.功耗:小于0.1W
3.工作温度:-30~70℃
4.通信接口:RS485
5.工作电流:8mA DC12V
6.最短数据间隔:60S
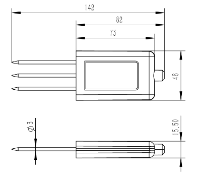
二、产品尺寸图

三、使用注意事项
1.传感器安装应严格按照安装使用说明书进行。
2.多个传感器同时工作时,必须间隔5米以上距离。
3.传感器测量原理限制,传感器测量地为中心半径5米范围内不应有电磁线缆和强磁辐射干扰,
避免造成传感器测量的巨大误差和损坏。
4.传感器的安装环境应该符合传感器的测量范围,避免超量程等不规范行为。
5.传感器安装应避开强酸强碱、重油污重金属环境进行。
6.传感器为土壤测量传感器,禁止将本传感器对其他行为。
7.传感器安装环境不能有强振动。
8.传感器不能有过强外力作用。
9.禁止拆卸,私自拆卸将不提供任何服务。
10.传感器探针较为锋利,使用时应按规定注意佩戴护具。
11.设备使用和维护应严格按照上述注意事项进行,如有违规使用的行为,本司不承担相关负责。
四、传感器参数
| 参数 | 测量范围 | 精度 | 分辨率 | 单位 |
| 土壤温度 | -30~70℃ | ±0.3(-10~50℃) | 0.01 | ℃ |
| 土壤含水率 | 0~100% | ±3%(壤土)高有机质土壤(土壤有机碳含量>12%)高粘粒含量土壤(粘粒含量>45%)由于其介电弛豫特性,可能需要针对特定土壤类型进行标定 | 0.01% | --- |

扫码关注我们
© 2026 山东天合环境科技有限公司(www.sdthqx.com) 版权所有 鲁ICP备2022000759号-12
技术支持:智慧城市网 管理登陆 sitemap.xml